2025年12月02日
UWB2025年12月02日
英伟达2025年12月02日
汽车销量2025年12月02日
新能源汽车2025年12月02日
AVEVA2025年12月02日
史陶比尔
2025年12月02日
API
2025年12月01日
施迈茨
2025年11月28日
配天机器人
2025年11月28日
研华
2025年12月02日
电装
2025年12月02日
电装
2025年12月01日
倍加福
2025年12月01日
Festo
针对缸体轴承座端面长度尺寸没有随线检具的问题,创新性地设计了一种翻盖式检测装置,并对装置的精度进行了分析。经验证,此测量装置操作方便,满足生产需求。
序言
箱体类零件结构复杂,有些空间尺寸无法直接测量。准确高效的测量方法成为保证箱体类零件产品质量和减少工件报废的重要保障。
背景
缸体轴承座是用来支撑曲轴主轴颈的,其中仅第三挡轴承座端面起到曲轴轴向定位的作用。而其他几挡轴承座端面则与曲轴主轴颈台阶面不接触。第三挡轴承座端面沿轴心线到缸体上平面与缸盖联接的定位销孔的长度尺寸为(165.5±0.1)mm(见图1)。

图1 轴承座端面长度尺寸
如图2所示,缸体的轴承座端面粗加工是在AF200专机14工位上以缸体变速器面采用一面两销定位方式,两面刃铣刀加工的。即用一根刀杆,其上安装4片两面刃铣刀,用隔圈控制刀盘之间的相互位置[1]。为了提高刚性,在刀杆上还安装有轴承和挂架。这种多刀加工方式具有生产效率高、加工部位尺寸精度高的特点。缸体上平面与缸盖联接的定位销孔是在AF200专机18工位上加工的。以缸体变速器面采用一面两销定位,用“钻-铰”的方式加工。由于定位销孔与轴承座端面分别在缸体上平面和下平面。如需用通用检具测量,就必须借助平板以缸体变速器面作为定位基准,在缸体定位销孔内插入一个配合间隙很小的针规。先用游标高度尺分别测出第三挡轴承座端面、针规最高点和平板之间的距离。然后经过换算,求出定位销孔与第三挡轴承座端面之间的距离。但该方法调整繁琐,由于基准不重合以及测量环节误差累积等因素,导致测量误差较大。目前采用三坐标测量仪测量,但测量周期较长,操作人员往返测量室送测,劳动强度高。

图2 轴承座端面铣削设备与铣削示意
因此希望有一种能在生产现场实现快速、简便测量的装置。
解决措施
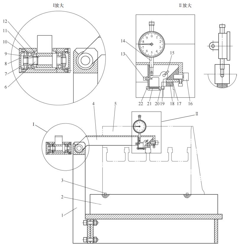
创新性地设计了一种翻盖式的缸体轴承座端面检测装置(见图3)。以缸体上平面与缸盖联接的定位销孔作为测量基准。采用一面两销的定位方式,做到测量基准与工序基准重合,减小定位误差[2]。联接关系(见图3):支架通过螺栓与底座联接;销通过过盈配合与底座联接;翻盖式支架的孔与轴联接;缸体通过销定位;螺栓22对弹簧起导向作用;杠杆通过沉孔与弹簧起定位作用;钢球通过沉孔固定在杠杆上;橡胶垫块与角铁相联;螺栓16将角铁固定在翻盖式支架右端;弹性螺钉将杠杆固定在销轴上;杠杆限位块通过螺栓联接在翻盖式支架上;百分表固定在翻盖式支架上;圆螺母12、轴承、圆螺母9和防尘盖依次套在轴的外圆上;端盖通过螺栓10与支架相联。

图3 翻盖式缸体轴承座端面检测装置
1—支架 2—底座 3—销 4—翻盖式支架 5—缸体 6—轴 7—防尘盖 8—端盖 9、12—圆螺母 10、16、22—螺栓 11—轴承 13—杠杆限位块 14—百分表 15—弹性螺钉 17—角铁 18—橡胶垫块 19—钢球 20—杠杆 21—弹簧
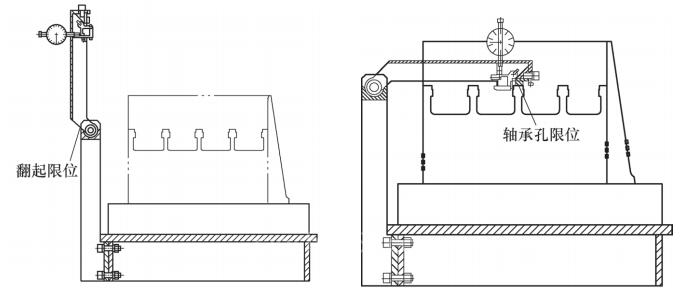
运动关系(见图3):翻盖式支架绕轴旋转抬起,靠在支架的翻起限位处;将缸体定位孔对准销放到底座上;将翻盖式支架绕轴旋转放倒;在弹簧的弹力作用下杠杆、钢球与缸体轴承座端面接触;杠杆绕销轴旋转,将测量的位移传递到杠杆的另一端,推动百分表测量;测量完毕将翻盖式支架绕轴旋转抬起(见图4);杠杆在弹簧的弹力作用下,另一端与杠杆限位块接触;百分表及杠杆复位(见图5)。

a)支架翻起状态 b)支架测量状态
图4 支架翻起及测量状态
a)测量状态 b)复位状态
图5 百分表及杠杆在测量状态和复位状态
检具精度分析
杠杆需绕中心的轴灵活旋转,宜采用间隙配合。同时为保证测量精度,尽量减小间隙。由于检具零部件是单件生产,所以可选择较高生产精度。采用H7/g6的配合间隙,并在杠杆上攻M6的螺纹以固定弹性螺钉(见图6)。弹性螺钉头部有一颗可以滚动的钢珠,内部有弹簧支撑。弹簧可以消除杠杆孔与轴的间隙,提高测量精度,滚珠保证灵活转动。

a)实物
b)结构
图6 弹性螺钉实物与结构
轴承配合公差选用时考虑到该轴承是作为翻盖的旋转副使用。转速、载荷较低且发热少,但精度要求较高。故选用P4级轴承。轴承内圈与轴上轴承挡采用过盈配合,直径公差k5。轴承外圈与支架的轴承安装孔采用过盈配合,公差H5。角接触球轴承可根据使用情况,通过预紧使轴承呈负游隙,确保翻盖支架的灵活运动与旋转精度[3]。
缸体定位销孔径精度是φ14H7
。检具定位销由于是单件生产,可适当提高精度φ 14h4
。
该检具的定位误差为0.018+0.005=0.023(mm)。缸体两定位销孔连线与检具两定位销连线不平行造成的误差较小,可以忽略不计。
综上,该检具测量不确定度主要由缸体定位销孔配合间隙造成,约0.023mm,考虑到产品公差为0.2mm。尚能满足测量需求,如希望进一步提高测量精度,可将固定定位销用内胀式定位销代替。消除定位销与定位孔之间的间隙,降低测量不确定度。
结语
本测量装置利用夹角呈90°的杠杆,将水平方向的位移转换为竖直方向的,并用百分表进行显示。本装置翻盖式支架布置方向与测量尺寸方向平行,相较于翻盖式支架与测量尺寸方向垂直的布置方式,转轴的摆动误差对测量精度影响更小。可调整转轴、轴承及圆螺母的游隙,以保证测量精度。本测量装置操作方便,测量精度能满足产品的测量需求。
参考文献:
[1] 杨叔子. 机械加工工艺师手册[M]. 2版. 北京:机械工业出版社,2011.
[2] 周砚云,王齐安,高克里. 机械加工专用检具图册[M]. 北京:机械工业出版社,1991.
[3] 吴相宪,王正为,黄玉堂. 实用机械设计手册[M].北京:中国矿业大学出版社,2002.
本文发表于《金属加工(冷加工)》2022年第10期49~52页,作者:上汽大众汽车有限公司 薛飞、李赢丽、陆勇、唐一峰,原标题:《缸体轴承座端面检测装置的设计》。