2025年12月02日
UWB2025年12月02日
英伟达2025年12月02日
汽车销量2025年12月02日
新能源汽车2025年12月02日
AVEVA2025年12月02日
史陶比尔
2025年12月02日
API
2025年12月01日
施迈茨
2025年11月28日
配天机器人
2025年11月28日
研华
2025年12月02日
电装
2025年12月02日
电装
2025年12月01日
倍加福
2025年12月01日
Festo
针对十字体零件的结构特征和加工难点,从原材料、热处理和机械切削等方面逐一分析,通过合理的工艺设计,采用粗、精加工和基准统一的方法,避免了加工过程中出现的质量问题。
1 序言
烟草机械属于特殊设备,采取订单式投产,零件生产批量一般小于5件/批次,属于多品种小批量离散型加工。十字体零件是滤棒成型机组中的刀头组件中心连接传动部件,设备工作时,该零件带动刀头做高速旋转运动,设计精度要求较高,零件精度直接影响刀盘部件动平衡量和烟支滤棒切口质量。
2 加工难点分析
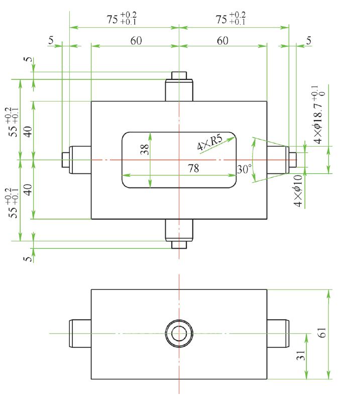
图1为十字体零件三维模型,零件整体为中心对称结构,材质为20CrMnTi。图2为十字体零件加工尺寸要求(局部)。零件四周有4个φ18.27h4枢轴,枢轴相互之间垂直度、同轴度均为0.01mm,枢轴与零件侧壁垂直度为0.01mm。枢轴要求局部渗碳淬火,淬火后硬度58~63HRC,设计精度高,材料难加工。零件下料尺寸为φ220mm×66mm,加工过程中金属去除率达到91%,材料去除量大,加工变形不易控制。

图1 十字体零件三维模型
图2 十字体零件加工尺寸要求(局部)
3 粗加工和半精加工工艺流程
渗碳淬火是金属材料常见的一种热处理工艺,可以使低碳钢工件具有高碳钢的表面层,再经过淬火和低温回火,使工件的表面层具有高硬度和耐磨性,而工件的中心部分仍然保持着低碳钢的韧性和塑性。该热处理方式由渗碳和淬火两部分组成,在淬火过程中,只有前期渗碳区域硬度会发生较大变化。针对有局部渗碳淬火要求的零件,加工过程中可以通过零件整体渗碳,然后去除非淬火区域渗碳层,再进行淬火,从而达到局部淬硬的目的[1]。
4个枢轴要求局部渗碳淬火硬度58~63HRC,渗碳层深度DC为1.2~1.4mm。为了便于后续机械切削加工,应保证4个枢轴硬度达标的同时,零件其余部位硬度不发生变化。为此,需要通过控制渗碳层区域来达到控制淬火区域硬度的目的。由于渗碳层深度DC要求为1.2~1.4mm,所以渗碳前粗加工时需保证非淬火面加工余量>1.4mm,同时为了最大限度消除粗加工过程中导致的应力集中,考虑采用中间件粗加工加人工时效的方式。
零件四周侧壁加工后的最终尺寸为110mm×70mm,为了控制渗碳区域,将中间件四周侧壁尺寸粗加工成120mm×80mm,4个枢轴尺寸粗加工成图片mm。粗加工尺寸要求如图3所示。渗碳处理后,通过半精加工,将中间件四周侧壁尺寸加工成111mm×71mm,保证四周侧壁渗碳区域被完全去除。粗加工和半精加工工艺流程见表1。半精加工尺寸要求如图4所示。

图3 粗加工尺寸要求
表1 粗加工和半精加工工艺流程

图4 半精加工尺寸要求
4 精加工工艺流程
因4个φ18.27h4枢轴精加工时硬度为58~63HRC,需采用外圆磨削加工。为保证4个枢轴的几何公差,磨削加工前要保证枢轴顶端60°中心孔几何精度<0.01mm,因此必须设计专用工装,保证4个枢轴顶端60°中心孔位置精度。
经过分析,发现零件底部有两处φ5E8销孔,可以采用一面两销的定位方法。一面两销定位是机械加工中最常采用的定位方式之一,属于完全定位。它是以一个面为第一定位基准,以垂直于这个基准面的并和基准面相通的两个孔作为另两个基准的一种定位方式。使用时,为便于装夹,预防过定位,两销钉分别选用圆柱销钉和菱形销钉[2]。
同时,由于零件底部四周有4处M4螺纹孔,所以零件在工装上的夹紧方式选用下拉式夹紧,即零件一面两销定位后,用螺钉下拉4处M4螺纹将零件紧固到工装上。精加工工装如图5所示。

图5 精加工工装
考虑到粗加工后,宽82mm、深7mm开挡及2处15°斜面尚未加工,依然存在大量余量,加工过程中依然存在零件变形风险。同时,φ23mm孔、φ18N7孔、φ14N7孔及4个R40mm圆弧面(见图1右上1/4圆弧)等部位的粗加工同样存在零件变形风险。为了使变形量在加工4个枢轴顶端60°中心孔之前完全消除,需将上述部位在平面磨床磨削两平面之前进行半精加工。针对非公差尺寸,在不影响后续加工的前提下,可以在平面磨床磨削前加工完成。为了便于平面磨床加工,在半精加工时选择将51mm上下两平面均留0.2mm磨削余量[3]。精加工工艺流程见表2。
表2 精加工工艺流程
50工序C40U五轴加工中心采用工装以51mm上面平放校平,因机床存在定位精度误差,同时工作台转动时存在轴向圆跳动误差,机床误差若不排除,可能造成4个枢轴轴端60°中心孔位置超差,致使零件报废。针对机床精度误差问题,考虑4个枢轴加工各自60°中心孔时,单独建立相对应的坐标系,即用雷尼绍3D测头找正工件后,每个面用雷尼绍3D测头单独标定加工基准,排除机床精度误差,保证4个枢轴轴端60°中心孔位置误差≤0.01mm。因4个枢轴端面垂直度为0.01mm,所以加工时需保证轴外圆与端面“一刀落”,通过外圆磨床磨外圆带磨轴端面。考虑磨端面时砂轮会磨到机床顶针,为了避免造成顶针损伤,工艺设计时将4个枢轴轴端60°中心孔更改为60°中心孔加120°护锥的形式,使枢轴端面与机床顶针在磨削面上产生一定缝隙,从而避免磨削干涉。80工序采用外圆磨床以两顶头孔定位,磨4处φ18.27mm轴外圆,带磨(150±0.05)mm及(110±0.05)mm轴端面,保证4轴中心在一个平面的误差≤0.01mm,保证其余各公差要求。
90工序采用线切割设备加工4 个枢轴轴端1mm×90°V形槽,是因为4个枢轴渗碳淬火后硬度达到58~63HRC,常规刀具难以实现铣削加工,所以采用线切割进行放电加工。若在渗碳淬火前加工V形槽,会破坏4个枢轴轴端60°中心孔形状,导致外圆磨床加工枢轴外圆时定位不准确,因此必须将V形槽放置到外圆磨床工序之后加工。
图6为十字体零件加工成品,图7为十字体零件装配验证。

图6 十字体零件加工成品
图7 十字体零件装配验证
经三坐标测量机检测,十字体零件所有尺寸公差均符合图样要求,零件合格。
5 结束语
十字体零件质量对于滤棒成型机稳定运行至关重要。该零件设计精度要求高,材料难加工,材料去除量大,加工变形不易控制。在工艺设计过程中,巧妙采用预防和补救措施,“借助”磨削来“修正”铣削的变形误差,增加中心孔护锥避让端面磨削,这些细节很好地保证了零件加工质量。该工艺方案已推广应用到其他相似零件的加工上,取得了很好的成效。
参考文献:
[1] 樊东黎. 热处理手册[M]. 北京:机械工业出版社,2005.
[2] 陈向云. 机床夹具设计[M]. 北京:电子工业出版社,2013.
[3] 徐宏海. 数控加工工艺[M]. 北京:化学工业出版社,2004.