info
西门子:电池白皮书
行业动态
MORE...
应用案例
MORE...
技术前沿
MORE...
当前位置:首页 技术 正文
基于PIC单片机的六挡调控电涡流缓速器的设计
转载 :  zaoche168.com   2009年03月24日

电涡流缓速器是一种高效汽车制动辅助装置,它既可以使汽车在坡道行驶时,方便地实行缓速和恒速行驶,也可以在高速公路或者路况较差的情况下,及时轻松地进行缓速,因此可极大提高汽车行驶时的安全性与舒适性。

 

针对国内重卡的制造工艺,设计了一种基于PIC单片机的新型电涡流缓速器。该缓速器分六挡位调控,可很好地实现恒速、现场编程以及声光提示挡位等功能。

 

目前国外使用的缓速器有两种形式,一种是利用液体的压力来实现的,称为“液力缓速器”,液力缓速器存在着结构复杂,维护困难等诸多缺点。另一种是“电涡流缓速器”,相比液力缓速器,它结构简单,维护方便。但国外的电涡流缓速器大多采用继电器作为控制元件(如法国的TELMA),由于继电器频繁吸合,触点寿命较低,而且制动力无法连续均匀调节。还有些产品采用大功率无触点开关作为控制元件(如德国的KLOFT),元件的寿命虽然大大提高,但使用在国内的车辆上时,经常出现故障问题。经过长时间的调研,发现故障原因是国外的制造商并没有考虑到国内车辆的制造工艺,以及驾驶员的操作习惯等问题,使得产品在结构上和控制方式上不适用于国内的情况。本文介绍的这种电涡流缓速器是针对以上问题而专门研制出的一种适合国内汽车的辅助制动装置。

 

电涡流缓速器的系统结构

 

电涡流缓速系统主要由电控部分、功率模块、励磁线圈以及转子组成。电控部分根据驾驶员的制动挡位信号以及速度反馈信号计算出合适的制动力的大小,并控制功率模块的导通,通过功率模块提供给励磁线圈合适的电流,以产生磁场,并在转子当中形成涡流,这种涡流的大小与转子的旋转速度成正比。涡流形成的磁场产生一个与转子旋转方向相同的转矩,由于作用与反作用的关系,转子则产生一个与自己转动方向相反的转矩,该转矩是转子转速和定子磁场电流的函数。磁通量的大小与励磁线圈的匝数以及所通过的励磁电流大小有关。转子安装在传动轴的两端,相当于给传动轴的转动施加了一个制动阻力矩,达到减速的效果。缓速器所需电流直接由汽车蓄电池供给。原理图如图1所示。

 

 

系统的硬件实现

 

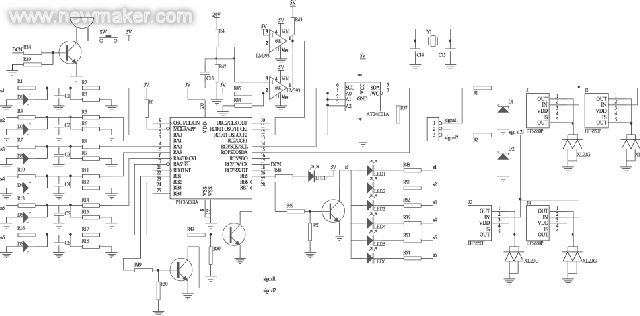
该电涡流缓速器采用离散式的结构,将电控单元和功率模块各自独立开来,电控部分安装在驾驶室中,功率模块安装在汽车车底后桥上。由于汽车上的工作环境比较恶劣,这种结构可以大大减少电磁干扰以及环境对控制单元的影响,设计中只选用两根信号线传输控制信号。系统的控制核心选用了美国Microchip公司开发的CMOS单片机PIC16C63A,系统硬件电路如图2所示。

 

 

来自挡位控制手柄的控制信号必须经过输入整形和去干扰电路才能输送给单片机,然后由单片机经过实时计算得出合适的制动力大小,输出相应的PWM控制信号,实现缓速。

 

电压检测电路将LM393的两个比较器输出端构成“线与”逻辑关系,形成了一个过欠电压保护,当电压范围超出1830V,输出信号给单片机实现电压保护功能。

 

为了方便驾驶员操作,电控部分安装了6个红色发光二极管和一个绿色发光二极管以及蜂鸣器提供声光显示挡位。

 

此外,考虑到不同车辆和路况所需制动力不一致,设计中编了8套不同的制动力参数,由于PIC16C63A的程序存储器是4K×14的,因此外扩了Atmel公司的1KE2PROM AT24C01A用于存放这些参数。通信接口电路用三极管增强驱动能力,同时提高传输距离以及抗干扰性。

 

功率模块硬件设计

 

传统的电涡流缓速器多使用继电器直接驱动励磁线圈。本系统为了避免继电器频繁吸合,触点寿命低以及关断拉弧等弊端,采用了INFINEON公司的大功率MOS管取代继电器作为执行元件。考虑到汽车缓速器的大电流工作要求(正常运行工作电流约为40A),选用了BTS550PE3146,该功率开关管含有过压、过温以及短路保护,平均工作电流为97A,短路电流可达180A。该智能功率开关加设了续流二极管,可有效地保证系统的可靠运行。一共有4个大功率管,每个开关管对应控制一组定子励磁线圈;由开关管的导通时间来决定励磁电流大小,实现制动力的调节。

 

需要注意的是,由于电涡流缓速器是以发散耗能方式实现缓速,工作过程中温度会很高,因而功率模块安装了散热片以便于降温;考虑到汽车复杂的工作环境,还设计了一个电容网络和压敏电阻吸收过电压。

 

系统的控制设计

 

设计实现方法

 

为了满足汽车在不同情况下对制动力大小不同的需求,在这个电涡流缓速器的操作系统中,设计了6个挡位和1个恒速档:一挡时两组线圈半开;二档时两组线圈全开;三档时两组线圈全开,两组线圈四分之一开;四挡时两组线圈全开,两组线圈半开;五挡时两组线圈全开,两组线圈四分之三开;六挡时四组线圈全开。当按下恒速按钮时,单片机及时记录当前运行速度,通过内部程序可实现自动跟踪调节制动力达到匀速运行的要求。

 

现有电涡流缓速器的制动力矩变化曲线一般较硬,长期使用会对汽车后桥造成损害。本设计中,利用PIC单片机输出脉宽可调的控制信号来控制励磁电流,从而实现制动力的软特性,使得制动力渐进上升。同时通过改变PWM的输出频率来改变励磁电流大小,达到改变汽车制动力大小的目的。

 

 

对定子线圈的控制则采用驱动轮共控方式,即将4组励磁线圈(8)平均分成两组,由电控单元传过来的控制信号采用对角线对称的控制方式给线圈通电,每一个信号控制一对定子线圈。这种控制方式克服了传统制动器左右制动力不一致的问题,避免了汽车跑偏现象。

 

当车速过低的时候,缓速器无须工作,因而系统程序中设置了门限值,当车速低于5km/h时,控制器没有电流输出。控制器上的绿灯是预备/恒速指示灯,设置该灯长亮以表示缓速器正在工作;若缓速器工作于恒速状态,该灯及蜂鸣器均设成以0.5Hz频率闪亮及鸣叫。

 

编程开关

 

系统通过拨动编程开关来调用存放在E2PROM中的各种制动力参数,以适应不同车辆和路况需求。编程开关共有8个,678用于设置各个档位制动力的大小,678分别为ON/ON/ON时,制动力为100%ON/ON/OFF95%ON/OFF/ON90%ON/OFF/OFF85%OFF/ON/ON;:80%OFF/ON/OFF75%OFF/OFF/ON70%OFF/OFF/OFF65%;编程开关5用于设置各个挡位之间制动力的变化情况,为ON时,各个挡位制动力均匀增加,为OFF时,12挡增加的快,3456挡增加的慢,如图3所示。编程开关4用于设置控制器的软特性,为ON时,控制器的制动力逐渐增加,六挡时的延迟时间约为0.4s,为OFF时,控制器取消软特性。开关123作为保留功能使用。

 

试验结果

 

该电涡流缓速器已经完成了电控部分样机的设计,已经进入了现场实验阶段。两台电涡流缓速器样机安装在浙江瑞安市瑞立集团公司的两辆载重9吨的解放卡车上,并且无故障运行1000小时以上。上表是试验过程中测得的电流数据。

品牌社区
—— 造车工艺 ——
—— 数字化制造 ——
—— 智能驾驶 ——
—— 新能源技术 ——
—— 机器人技术 ——