info
品牌社区
一家专注于汽车设计、汽车制造和管理信息化的专业网站
网站内容包含了汽车设计、汽车电子、发动机与驱动、整车装配、汽车零部件、质量控制、汽车塑化、汽车物流和管理与信息化等。几乎涵盖了汽车制造过程中的各个环节。造车网致力成为汽车设计及汽车制造业具有广泛影响力,内容全面的网络信息平台。
免责声明
联系我们
行业展会
首页
造车工艺
数字化制造
智能驾驶
新能源技术
机器人技术
网站导航
首页
造车工艺
数字化制造
智能驾驶
新能源技术
机器人技术
精彩视界
网络会议
深度观察
市场研究
高层访谈
资料下载
行业展会
新闻
产品
案例
视频
搜索
福特获得独特的HVAC系统专利 有望用于自动驾驶汽车
2025年01月24日
据外媒报道,福特汽车公司(Ford Motor)为一种独特的加热、通风与空气调节(HVAC)系统申请了专利,且可能将其用于未来的福特自...
福特
HVAC
医院全负荷运转,万可HVAC解决方案不惧挑战实现多效合一
2020年02月10日
HVAC系统对于医院建筑来讲至关重要,适宜的温度可为医护人员和患者提供舒适的环境,而良好的通风系统则可保证医院的空气质量,这...
万可
挑战严苛 | 守护价值连城艺术珍藏唯万可HVAC技术莫属
2020年01月06日
珍藏艺术品需要稳定的室内环境以获得最佳的保养条件,需要严格观察以获得正确的温度和湿度。这尤其适用租借艺术品进行临时展览的...
万可
TwinCAT HVAC 功能库扩展至包括楼宇自动化功能库
2012年07月16日
随着针对于房间自动化(包括照明控制、空调和遮阳)功能块的推出,Beckhoff 进一步完善了用于整个楼宇自动化系统的软件。这些功能...
TwinCAT
HVAC
功能库
汽车空调(HVAC)开发以及趋势
2009年06月29日
尽管中国汽车空调市场潜力巨大,也面临严峻的挑战,全球原料价格上涨给行业带来巨大成本压力;在产品方面,货车及一些专用车的空...
汽车空调
HVAC
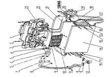
车用空调W204 HVAC
2009年05月21日
W204 HVAC 装配于国产梅赛德斯 - 奔驰 D 级、 E 级轿车中。该车用空调具有如下特性: 1. 舒适性:在汽车左、右和后区可以对温...
车用空调
ASSP加强汽车HVAC运动控制
2009年04月09日
HVAC 系统是当今大部分汽车的标准设备。这一系统的设计宗旨是实现高效率、增强可靠性、改善乘客安全和舒适度,同时减少尺寸、重量...
ASSP
汽车HVAC运动控制
汽车HVAC系统中的传感器
2009年03月23日
位于密歇根州 Troy 的汽车电子供应商 Behr America 公司正与爱普科斯 (EPCOS) 公司开展紧密合作,帮助汽车制造商将这些高端功能推...
汽车HVAC系统
传感器
意法半导体新款8引脚微控制器适用于HVAC控制
2007年05月28日
8位微控制器的世界领导厂商意法半导体进一步完善了公司专门为简单的低成本应用设计的ST7UltraLite系列8引脚微控制器产品阵容,新的ST7FLITEU0系列产品在现有产品的丰富外设基础上扩大了存储容量和有用的系统功能。采用...
意法半导体新款8引脚微控制器适用于HVAC控制