info
品牌社区
一家专注于汽车设计、汽车制造和管理信息化的专业网站
网站内容包含了汽车设计、汽车电子、发动机与驱动、整车装配、汽车零部件、质量控制、汽车塑化、汽车物流和管理与信息化等。几乎涵盖了汽车制造过程中的各个环节。造车网致力成为汽车设计及汽车制造业具有广泛影响力,内容全面的网络信息平台。
免责声明
联系我们
行业展会
首页
造车工艺
数字化制造
智能驾驶
新能源技术
机器人技术
网站导航
首页
造车工艺
数字化制造
智能驾驶
新能源技术
机器人技术
精彩视界
网络会议
深度观察
市场研究
高层访谈
资料下载
行业展会
新闻
产品
案例
视频
搜索
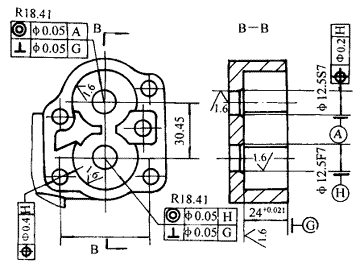
齿轮泵壳体孔的加工方法及夹具设计
2009年08月13日
齿轮泵壳体上有两个孔要求的加工精度高。在中、小批量生产时,一般都使用通用机床和专用工装来加工,这种加工方法很难达到精度要...
齿轮
泵壳体孔
加工方法
齿轮泵壳体孔的加工方法及夹具设计
2008年09月06日
齿轮泵壳体上有两个孔要求的加工精度高。在中、小批量生产时,一般都使用通用机床和专用工装来加工,这种加工方法很难达到精度要求。我校实习工厂生产这一零件时,从加工方法、刀具、夹具方面进行不断改进,较好地解...
加工
孔加工
夹具