info
品牌社区
一家专注于汽车设计、汽车制造和管理信息化的专业网站
网站内容包含了汽车设计、汽车电子、发动机与驱动、整车装配、汽车零部件、质量控制、汽车塑化、汽车物流和管理与信息化等。几乎涵盖了汽车制造过程中的各个环节。造车网致力成为汽车设计及汽车制造业具有广泛影响力,内容全面的网络信息平台。
免责声明
联系我们
行业展会
首页
造车工艺
数字化制造
智能驾驶
新能源技术
机器人技术
网站导航
首页
造车工艺
数字化制造
智能驾驶
新能源技术
机器人技术
精彩视界
网络会议
深度观察
市场研究
高层访谈
资料下载
行业展会
新闻
产品
案例
视频
搜索
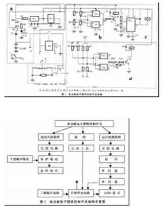
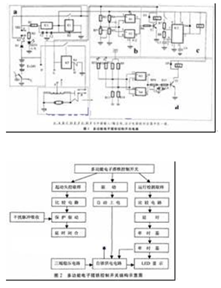
汽车电子搭铁控制开关的设计
2009年03月27日
使用中,载货汽车的电源电路及配件在性能和技术方面存在的不足是显而易见的。为此,我们研制出一种汽车多功能电子搭铁控制开关,...
汽车电子搭铁
控制开关
汽车电子搭铁控制开关的设计应用
2009年03月13日
我们在实际使用中,载货汽车的电源电路及配件在性能和技术方面存在的不足是显而易见的。为此,我们研制出一种汽车多功能电子搭铁...
汽车电子
搭铁控制开关